skończona przestrzeń i nieskończona technologia!

Case Information

Customer: Farm   Motor: 60KTYZ  Application: Incubator Industry: Automation equipment  Case Source: India

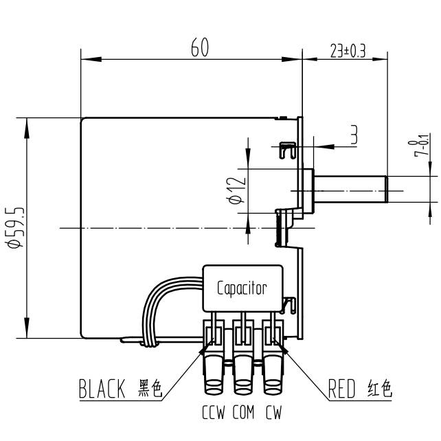
60ktyz

10W 2RPM AC Synchronous Motor

Parameter 1

size: 60mmx60mm

Parameter 2

with capacitor

Parameter 3

AC220V

Parameter 4

<50db

Why must eggs be turned during incubation?

Under natural conditions, hens turn their eggs 20-50 times a day for the following reasons:

1. Preventing the embryo from sticking to the shell: If an egg remains in the same position for a long time, the embryo will stick to the shell membrane, leading to abnormal blood vessel development and even death. Turning the egg allows the embryo to receive even heating, preventing it from sticking.

2. Promoting even heating: Incubation temperature is usually controlled at around 37.5℃ (for chicken eggs). Turning the egg helps balance the internal temperature, improving the uniformity of development and reducing deformities.

3. Increasing hatching rate: Compared to manual egg turning, automatic egg turning systems are more consistent, have a more stable angle, a higher success rate, and lower labor costs.

Video Showcase

Get More Cases and Professional Solutions

Zapytanie ofertowe

* Szanujemy poufność i wszystkie informacje są chronione.

fengtech_logo_w

Zapytanie ofertowe

* Szanujemy poufność i wszystkie informacje są chronione.